
INCH-POUND
MIL-DTL-1563/13B
6 January 2014
SUPERSEDING
MIL-DTL-1563/13A
30 April 1997
DETAIL SPECIFICATION SHEET
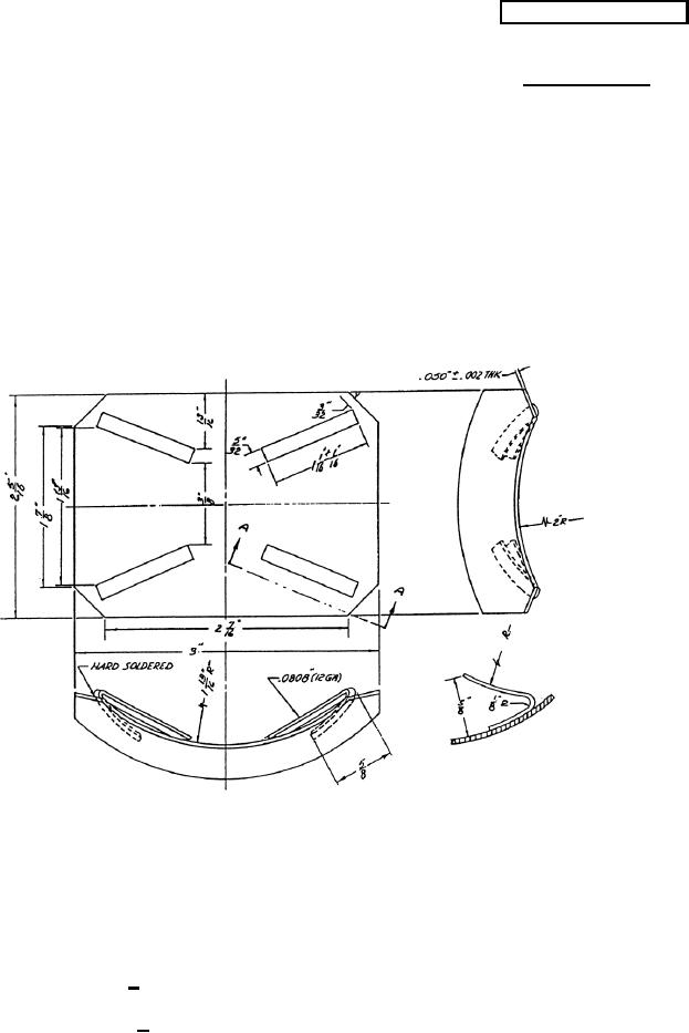
INSIGNIA, U.S.M.A., BUCKLE, BREASTPLATE
This specification is approved for use by all
Departments and Agencies of the Department of Defense
The requirements for acquiring the product described herein shall consist of this specification
sheet and the latest issue of MIL-B-1563.
MATERIAL: Yellow Brass 65/35 (UNS Alloy No. C-268)
FINISH: Mirror-like Polished Fronts, Matte Finish Back and Edges
MARKING FOR IDENTIFICATION: Back of Buckle
DEMENSION:
HEIGHT: 2-5/16 inches + 1/64 inch (REF)
WIDTH: 2-7/16 inches + 1/64 inch (REF)
THICKNESS: 0.050 inch + .002 inch
AMSC N/A
Page 1 of 2
FSC 8455
For Parts Inquires submit RFQ to Parts Hangar, Inc.
© Copyright 2015 Integrated Publishing, Inc.
A Service Disabled Veteran Owned Small Business