
INCH-POUND
MIL-DTL-1563/18B
6 January 2014
SUPERSEDING
MIL-DTL-1563/18A
30 April 1997
DETAIL SPECIFICATION SHEET
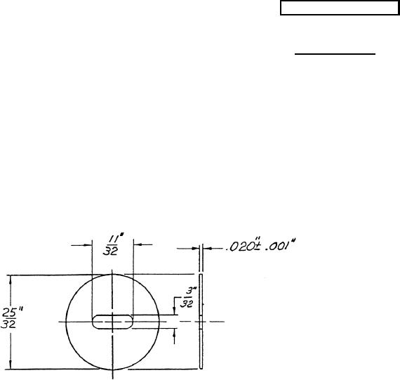
INSIGNIA, U.S.M.A., BURR, COAT, CADET, FULL DRESS
This specification is approved for use by all
Departments and Agencies of the Department of Defense
The requirements for acquiring the product described herein shall consist of this specification
sheet and the latest issue of MIL-B-1563.
MATERIAL: Steel
FINISH: Nickel Plated
MARKING FOR IDENTIFICATION: No Requirement
DEMENSION: As Shown (REF)
SUGGESTED PACKIGING: Standard Commercial
UNIT PACKAGING: Bulk Wrapped
INTERMEDIATE PACKAGING: 1000 per box.
NOTE:
The term (REF) refers to the measurements taken from the Government furnished hub
or die.
CHANGES FROM PREVIOUS ISSUE: Marginal notations are not used in this revision to
identify changes with respect to the previous issue due to the extent of the changes.
AMSC N/A
Page 1 of 2
FSC 8455